Noutati si promotii curente /// Cumpara de la Secpral si poti castiga un Ford Transit Courier Van. Vezi regulamentul. /// Fa-ti cont pe secpral.ro. Conturile se activeaza in 1-2 zile lucratoare de la trimiterea solicitarii.

Johnson Control a lansat noul modul Tyco Kantech RS-486 cu intrari/iesiri pentru sporirea flexibilitatii sistemelor de control acces care au in componenta controllere KT-1, respectiv KT-400.
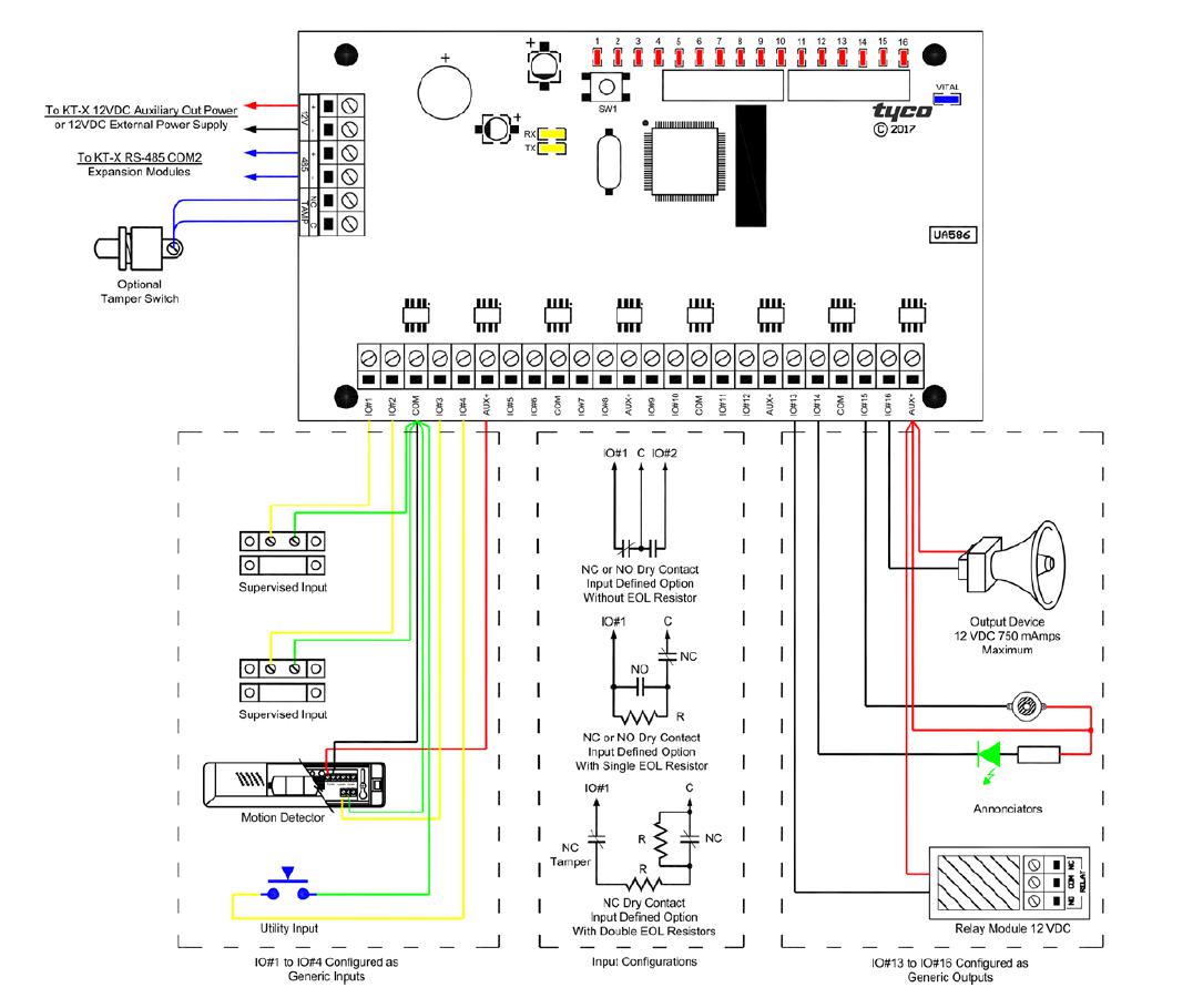
Cele 16 terminale pot fi configurate ca intrari sau iesiri in grupuri de patru. Avantajul acestui modul consta in reducerea cablajului necesar pentru conectarea senzorilor, detectorilor, dispozitivelor de alarmare sau a altor echipamente de control sau semnalizare.
Modulul de intrari/iesiri este integrat nativ in software-ul de management EntraPass Security, incepand cu versiunea 8.10, ca parte dintr-un sistem de control acces si monitorizare alarme.

Functii de baza

Solutie eficienta din punctul de vedere al raportului calitate-pret pentru extinderea sistemului de control acces cu porturi de intrari si iesiri.
Dimensiuni extrem de reduse.
Pana la 16 module pot fi interconectate pentru controlul lifturilor.
16 led-uri pe placa fiecarui modul pentru indicarea vizuala a starii acestuia si o diagnosticare rapida.
Maxim 256 de intrari si iesiri pot fi subordonate de un singur controller KT 1 si KT 400.
Intrare dedicata de tamper.
Reduce considerabil cablajul.
Integrat nativ in software-ul de management EntraPass Security Management, versiunea 8.10 si versiunile mai recente.
Spor la proiecte!
Cristian